Ваш город:
Тобольск
Ваш город Тобольск?
Да Выбрать другой
Заказать звонок
Фильтр

Редуктор Ч-80

Описание

Передаточное число, ном. 8 10 12,5 16 20 25 31,5 40 50 63 80
Частота вращения входного вала, об/мин 1500
Значение крутящих моментов Мт, Нм 212 190 195 218 195 195 260 195 206 190 175
Термическая мощность Nt, Квт 4,6 3,4 2,8 2,5 1,9 1,5 1,7 1,1 0,9 0,8 0,6
Масса, кг не более 18,6 (30)

Габаритные и присоединительные размеры редуктора Ч 80

Концы валов редуктора Ч 80

Вариант исполнения конца тихоходного вала

Вариант исполнения конца быстроходного вала

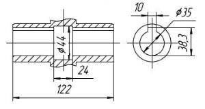
Выходные валы

Вариант исполнения конца тихоходного вала

Вариант сборки 56 со шпончным отверстием

Вариант сборки 56 с шлицевым отверстием

Варианты сборки

Варианты сборки (рассматривать при расположении червячной пары – червяк под колесом)

Вариант крепления редуктора

Вариант расположения червячной пары

о – отдушина, к – пробка для контроля уровня масла, с – пробка для слива масла.

Примерные обозначения при заказе продукции

Редуктор червячный одноступенчатый Ч-80-40-51-1-2-2ВУ3, ТУ 4161-002-14738560-2005, где:

  • Ч – тип редуктора;
  • 80 – межосевое расстояние;
  • 40 – передаточное число номинальное;
  • 51 – вариант сборки по ГОСТ 20373-94;
  • 1 – вариант расположения червячной пары (червяк под колесом);
  • 2 – лапы со стороны червяка;
  • 2 – категория точности по ГОСТ Р 50891-96;
  • В – с вентилятором;
  • У3 – вид климатического исполнения по ГОСТ 15150-69;
Назад
Выбор города