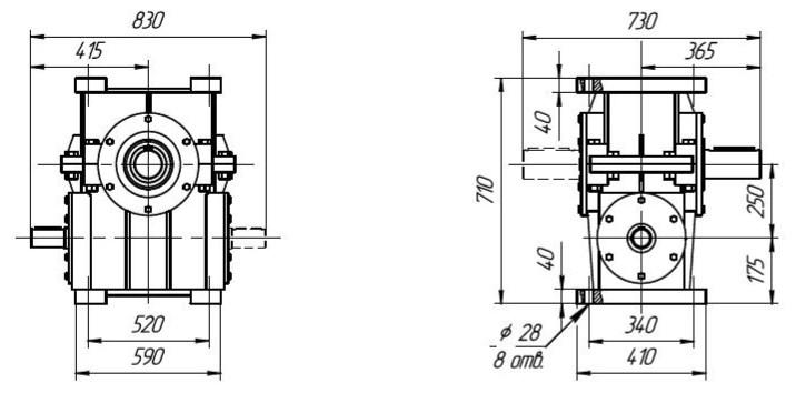
Габаритные размеры Ч-250
С опорным фланцем
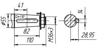
Входной вал «Квн»
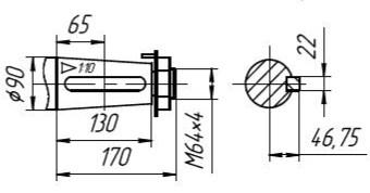
Входной вал «Кнар»
Входной вал «Ц»
Выходной вал «Квн»
Выходной вал «Кнар»
Выходной вал «Ц»
Продолжая, вы соглашаетесь со сбором и обработкой персональных данных и пользовательским соглашением.
Нашли дешевле?
Оставьте свои контактные данные. Наш менеджер свяжется с вами в ближайшее время.
Таблица размеров
Бесплатная консультация
Нажимая на кнопку «Заказать звонок», вы даете согласие на обработку персональных данных.