Ваш город:
Тобольск
Ваш город Тобольск?
Да Выбрать другой
Заказать звонок
Фильтр

Редуктор Ч-320

Описание

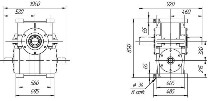
Габаритные размеры

С опорным фланцем

Входной вал «Квн»

Входной вал «Кнар»

Выходной «Квн»

Выходной вал «Кнар»

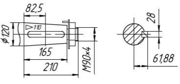
Входной вал «Ц»

Выходной вал «Ц»

 

Назад
Выбор города