Ваш город:
Тобольск
Ваш город Тобольск?
Да Выбрать другой
Заказать звонок
Фильтр

Мотор-редуктор МПЧ-125

Описание

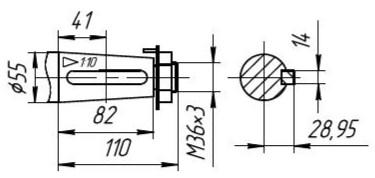
Габаритные размеры

С опорным фланцем

Выходящий вал «Квн»

Выходящий вал «Кнар»

Выходящий вал «Ц»

Выходящий вал с шлицевым отверстием

Выходящий вал с шпоночным отверстием

Назад
Выбор города