Ваш город:
Тобольск
Ваш город Тобольск?
Да Выбрать другой
Заказать звонок
Фильтр

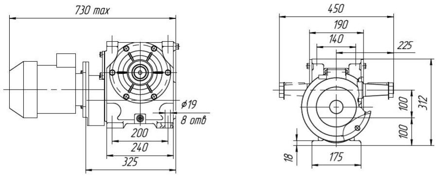
Мотор-редуктор МПЧ-100

Описание

Габаритные размеры

С опорным фланцем

 

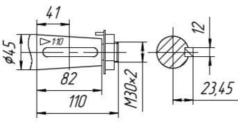
Выходной вал «Квн»

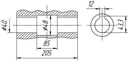
Выходной вал «Кнар»

Выходной вал «Ц»

Выходной вал с шлицевым валом

Выходной вал с шпоночным валом

Назад
Выбор города