Ваш город:
Тобольск
Ваш город Тобольск?
Да Выбрать другой
Заказать звонок
Фильтр

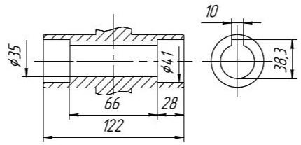
Мотор-редуктор МЦЧ-80

Описание

Габаритные размеры

С опорный фланец

Выходной вал «Квн»

Выходной вал «Ц»

Выходной вал с шлицевым отверстием

Выходной вал с шпоночным отверстием

Назад
Выбор города