Ваш город:
Тобольск
Ваш город Тобольск?
Да Выбрать другой
Заказать звонок
Фильтр

Мотор-редуктор МЦЧ-180

Описание

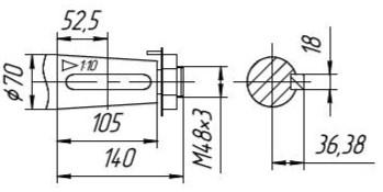
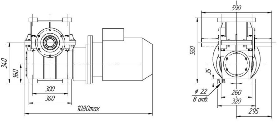
Габаритные размеры

С опорным фланцем

 

Выходной вал «Квн»

Выходной вал «Кнар»

Выходной вал «Ц»

Выходной вал с шпоночным отверстием

Назад
Выбор города