Ваш город:
Тобольск
Ваш город Тобольск?
Да Выбрать другой
Заказать звонок
Фильтр

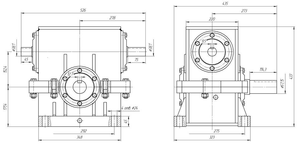
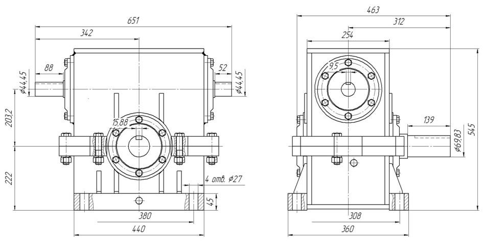
Редуктор АО-600, АО-800

Описание

АО-600 АО-800
Передаточное число 14 15
Крутящий момент на выходном валу, Н*м 1000 2000

Редуктор АО-600

Редуктор АО-800

Назад
Выбор города