Ваш город:
Тобольск
Ваш город Тобольск?
Да Выбрать другой
Заказать звонок
Фильтр

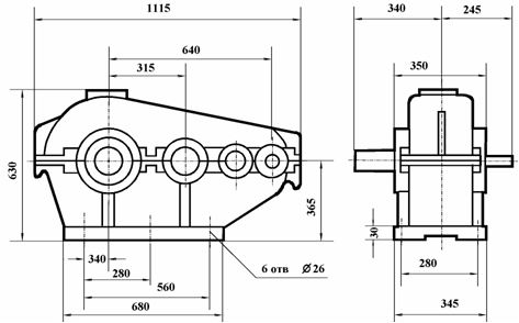
Редуктор ЦТНД-315

Описание

Передаточное число номинальное
50
63
80
100
125
160
фактическое
48,22
59,73
80,48
97,02
120,18
155,07
Номинальный крутящий момент, кНм
9,0
Радиальная консольная нагрузка на вал, Н выходной
48 000
входной
1 075
Номинальная частота вращения входного вала, об/мин
1500
КПД
0,96
Объем заливаемого масла, л
21,5
Масса, кг
505

Габаритные размеры редуктора ЦТНД-315:

Размеры концов валов:

Параметр
l
d n6
b
t
Вал вх
58
32
10
35
вых
165
110
28
116

Варианты сборки:

Условное обозначение:

ЦТНД –315 -125–12 У1 ТУ24. 08. 662 – 80

ЦТНД- тип
315 – межосевое расстояние выходной ступени
125 – номинальное передаточное число
12 – вариант сборки
у1 – климатическое исполнение и категория размещения

Назад
Выбор города