Ваш город:
Тобольск
Ваш город Тобольск?
Да Выбрать другой
Заказать звонок
Фильтр

Планетарный мотор-редуктор МПО2М-18

Описание

Описание товара временно отсутствует

Характеристики

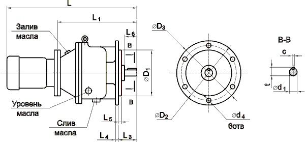
Габаритные и присоединительные размеры

МПО2М-15Щ (горизонтальное исполнение на лапах)

Мотор-редуктор МПО2М-15Щ

L1L2L3L4lAA1ВB1СHH1H2d1d2Rt
215 65 615 100 140 390 210 460 300 18 496 225 35 65 22 210 69

МПО2М-15Ф (горизонтальное фланцевое исполнение)

Мотор-редуктор МПО2М-15Ф

МПО2М-15ВК и В (вертикальное фланцевое исполнение)

Мотор-редуктор МПО2М-15ВК и В

L1L3L4L5L6D1D2D3d1d2d3d4l1l2ct
615 190 20 10 140 330 375 420 65 55 62 22 14 6 18 69

Технические характеристики

Мотор-редукторЭлектродвигатель
Передаточное числоНоминальная частота вращения выходного вала, об/минмасса, кг,не болееКорректированный уровень звуковой мощности по шкале А, дБ, не болееТипМощность, кВт
24,6




32,1
59




45
267 93 4АМ132М4 11
315 2В132М4
252 4АМ132s4 7,5
305 2В132s4
267 4АМ132М4 11
315 2В132М4
252 4АМ132s4 7,5
305 2В132s4
228 4АМ112МА4 5,5
270 2В112М4
46,9 31 228 4АМ112МА4
270 2В112М4
81,5 18 207 89 4АМХ100sА4 3
260 2В100s4
101,7 14 191 86 4АМХ80В4 1,5
204 В80В4
204 6,7 186 4АМХ71В4 0,75
195 В71В4
4,6 190 4АМХ80А6
202 В80А6
2469 0,56 186 4АМХ71А4 0,55
195 В71А4  
Радиус водила, ммДопускаемый крутящий момент на выходном валу, Н*мДопускаемые нагрузки на выходном валу, Н
радиальнаяосевая
75 2350 7000 3000
Габаритные размеры комплектующих электродвигателей
Тип 4АТип 2B
ГабаритL, mmГабаритL, mm
63В4 186 63В4 245
71А4 245 71А4 265
71В4 245 71В4 265
80А6 260 80А6 300
80В4 270 80В4 300
100S4 305 100S4 455
112MA4 372 112MA4 520
132M4 450 132M4 540
132S4 400 132S4 505

Характеристики

Похожие товары
Планетарный мотор-редуктор МПО2М-10

Двухступенчатый планетарный мотор-редуктор МПО2М-10 выпускается в нескольких вариантах монтажного исполнения.

Горизонтальное исполнение: МПО2М-10Щ (на лапах), МПО2М-10Ф (фланец).
Вертикальное исполнение: МПО2М-10В и МПО2-10ВК (опорный фланец).

Привод обеспечивает передаточное отношение в диапазоне от 23,1 до 2190. Мощность подключаемого электродвигателя составляет 0,37 — 3 квт. Мотор-редуктор предназначен для работы с произвольной нагрузкой (постоянная/переменная, однонаправленная/реверсивная). Области применения: лабораторное, химическое, медицинское оборудование.

Пример условного обозначения при заказе

Мотор-редуктор МПО2М-10ВК-45,5-1,5/31,5АМХ80В4У3 ТУ 2-056-223-84, где:

  • МПО2М - тип мотор-редуктора
  • 10 - условный диаметр водила, см
  • ВК - исполнение вертикальное фланцевое
  • 45,5 - передаточное число
  • 1,5 - мощность комплектующего двигателя, кВт
  • 31,5 - частота вращения выходного вала, об/мин
  • АМХ80B4 - комплектующий двигатель
  • У3 - климатическое исполнение и категория размещения
по запросу
Подробнее
Планетарный мотор-редуктор МПО2М-15

Мотор-редуктор МПО2М-15 включает в себя двухступенчатый планетарный редуктор и трехфазный асинхронный электродвигатель (0,55-11 кВт). Привод обеспечивает передаточные отношения от 24,6 до 2469. Расположение валов соосное. КПД — 95%.

У нас вы можете купить мотор-редукторы в следующих монтажных исполнениях: МПО2М-15Щ (с креплением на лапах), МПО2М-15Ф (горизонтальное фланцевое исполнение), МПО2М-15В (вертикальное фланцевое исполнение), МПО2М-15ВК (вертикальное фланцевое исполнение с кольцевой канавкой на тихоходном валу).

Варианты климатического исполнения — У (для умеренного климата) и Т (для тропического климата).

ПРИМЕР УСЛОВНОГО ОБОЗНАЧЕНИЯ ПРИ ЗАКАЗЕ:

Мотор-редуктор МПО2М-15ВК-81,5-3/18АМХ100sА4У3 ТУ 2-056-223-84, где:

  • МПО2М - тип мотор-редуктора
  • 15 - условный диаметр водила, см
  • ВК - исполнение вертикальное фланцевое с канавкой на валу
  • 81,5 - передаточное число
  • 3 - мощность двигателя, кВт
  • 18 - частота вращения выходного вала, об/мин
  • АМХ100sА4 - электродвигатель
  • У3 - климатическое исполнение и категория размещения
по запросу
Подробнее
Назад
Выбор города