Ваш город:
Тобольск
Ваш город Тобольск?
Да Выбрать другой
Заказать звонок
Фильтр

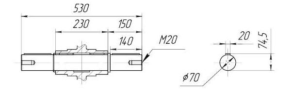
Червячный мотор-редуктор 6МЧ-160

Описание

С опорным фланцем

 

Вариант исполнения конца тихоходного вала

Выходной вал двухсторонний

Назад
Выбор города